Gas-to-Power Anwendung mit Turbomaschinen

Das HS-Drives High Speed Antriebssystem bildet den Kern von modernen Turbo-Antriebssystemen. Es bietet eine effiziente Möglichkeit, zusammen mit High-Speed Generatoren oder Motoren getriebelose Lösungen zu realisieren. Die Lösungen können u.a. für Kompressoren, Gas-Dekompression und Restgasverstromung eingesetzt werden.

Überlegene Eckdaten

– sehr hoher Wirkungsgrad (98,5%)
– hohe Ausgangsfrequenzen (bis 1500Hz) und damit auch für hochpolige Generatoren nutzbar, ohne Derating
– hohe Schaltfrequenz (40kHz) und dadurch ein sehr geringer Stromrippel und damit eine geringe Maschinenerwärmung
– großer Ausgangsspannungsbereich bis 800 V AC und Zwischenkreis bis 1200V DC
– eingebauter Sinusfilter mit hoher Eckfrequenz

Intelligente Regelung

– hohe Regelfrequenz (40kHz) und damit Regelgüte
– sensorlose Feldorientierte Regelung (FOC) des Generators
– sinusförmiger Motor-/Generatorstrom mit einstellbarem Leistungsfaktor
– Regelung von Blind und Wirkleistung im Netzmodul

Gas-to-Power Anwendung mit Gasturbinen

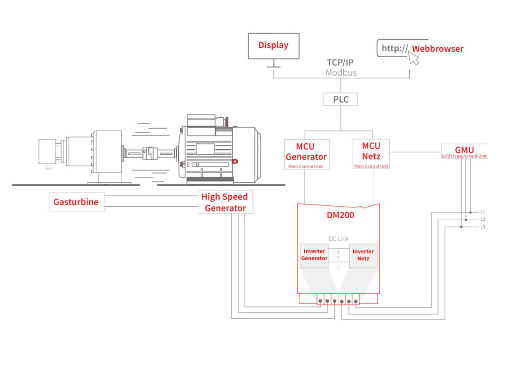
Bei dieser Anwendung wird das High Speed Umrichter System zur Energiewandlung (aktive Gleichrichtung vom Generator und zur Netzeinspeisung), der durch eine Gasturbine erzeugten mechanischen Leistung, verwendet. Durch den Einsatz eines High Speed Generators ohne Verwendung eines Getriebes, ist diese Energiewandlung besonders effizient. Aus unserer Produktpalette kommen MCU, GMU und DM200 zum Einsatz.

Die von einer Gasturbine erzeugte mechanische Leistung, wird mittels eines High Speed Generators in elektrische Leistung gewandelt.

Ein oder mehrere HS-Drives DM200 Module richten die Ausgangsspannung des Generators aktiv gleich. Der Generator wird mit einem sinusförmigen Strom betrieben.

Im DM200 Modul befindet sich neben dem Motor/Generator Wechselrichter ein aktives Netzfrontend. Beide basieren auf einer Multilevel Topologie und sind über einen Gleichspannungszwischenkreis (DC-Link) verbunden.

Für die Regelung des Generators ist eine Steuereinheit (MCU – Main Control Unit), welche bis zu 12 parallele Wechselrichter der DM200 Module verantwortlich. Die Energie wird in einem Gleichspannungszwischenkreis zwischengespeichert.

Die Netzwechselrichter speisen die Energie aus dem Gleichspannungszwischenkreis in das Energieversorgungsnetz ein. Wie bei den generatorseitigen Wechselrichtern können bis zu 12 Wechselrichter im Verbund betrieben werden.

Eine Netzmesseinheit (GMU – Grid Monitoring Unit) überwacht die Netzspannung und liefert die Istwerte für die gemeinsame Netzregelung der Module. Sie bildet die Grundlage für AR-4110 konforme Netzeinspeisung des Gesamtsystems.

Die Bedienung des Gesamtsystems kann über ein Touch Display erfolgen. Hier kann das System gestartet und gestoppt werden und es können Prozessparameter ausgelesen werden.

Über eine TCP/IP Netzwerkverbindung ist eine Parametrierung mit Webbrowser möglich. Es können dort auch Prozessdaten angezeigt und analysiert werden.

150 kw Gas-to-Power Lösung

Die Abbildung zeigt eine Schaltschranklösung für ein bidirektionales (4Q) Antriebssystem mit 150 kW Nennleistung. Alle benötigten Steuerungs- und Leistungselektronikkomponenten sind in den Schrank integriert. Es wird nur ein High-Speed Generator und das Energieversorgungsnetz angeschlossen. Die benötigten Sinus- und EMV-Filter sind in das Drives Modul DM200 integriert.

Regelung

Die Regelung des High Speed Generators erfolgt über eine sensorlose feldorientierte Regelung (FOC). Durch den hohen Reglertakt von 40kHz, kann der Stromrippel klein gehalten werden und damit auch die Verluste im Generator.

Das Drive-Modul ist in der Lage, sich auf den bereits drehenden Generator aufzusynchronisieren.

Die Sollwertvorgabe kann als Strom oder Leistung erfolgen. Es ist auch möglich, Feldschwächung zu betreiben.

Sensorlose Drehzahl und Winkelmessung

Mechanische Winkelsensoren können bei höheren Drehzahlen nicht mehr eingesetzt werden. Deshalb wird der Winkel über einen Beobachter geschätzt. Diese Schätzung ist für höhere Drehzahlen (> 0.1*Nenndrehzahl) sehr exakt und steht der mechanischen Messung in nichts nach.

Aufsynchronisieren auf rotierende Generatoren

Für generatorische Anwendungen ist es möglich, die sonsorlose Regelung auf bereits rotierende Maschinen zu synchronisieren. Damit kann ein High-Speed Generator vom Gasprozess beschleunigt werden und erst bei gewünschter Drehzahl wird das Drehmoment eingeprägt.

Messung und Überwachung verschiedenster Maschinenparameter

Das Drive-Modul sowie das Netz-Modul messen verschiedenste Prozessparameter. Dazu gehören Spannungen, Ströme, Leistungen, Wirkleistungsfaktor, THD, I2T und viele mehr.

Mit diesen Daten ist es möglich, eine vorrausschauende Prozessüberwachung zu realisieren.

Parametrierung über Weboberfläche

Über die Weboberfläche ist es möglich sowohl das Drive Modul als auch das Netz Modul in Betrieb zu nehmen. Es gib verschiedene Menüs z.B. für die Stromreglerparametrierung des Generators (Abbildung 2). Des weiteren werden hier die Prozessdaten angezeigt.

Bedienung über Touch Display

Über das Touch Display kann z.B. der Leistungssollwert eingestellt werden. Wichtige Prozessdaten sind auf einen Blick verfügbar.
Die Entwicklung der Antriebslösung wird/wurde im Rahmen des Projektes Speed-Drive durch den Europäischen Fonds für regionale Entwicklung (EFRE) gefördert.